Kurumsal
Hakkımızda
Misyon, Vizyon ve Değerlerimiz
Politikalarımız
Etik Kurallarımız
Kilometre Taşları
Kurumsal Kimlik
Bilgi Toplumu Hizmetleri
Kişisel Verilerin Korunması
Site Haritası
Ürünler
Elektrofüzyon
EF Manşon
EF Uzun Manşon
EF Dirsek 90°
EF Dirsek 45°
EF Kör Tapa
EF Eşit Te
EF İnegal Te
EF Redüksiyon
EF Spigot Semer
EF Smart Te
EF Servis Te
EF Vanalı Servis Te
Spigot
Dirsek 90º
Dirsek 45º
Dirsek 60º
Dirsek 30º
Eşit Te
İnegal Te
Çatal Te 45º
Redüksiyon
Kademeli Redüksiyon
Flanş Adaptörü
Kör Tapa
Flanş Adaptörü (ANSI Flanş Uyumlu)
Flanş Adaptörü (Kısa Tip ANSI Flanş Uyumlu)
Flanş Adaptörü (Kısa Tip)
Flanşlar
PP Kaplı Çelik Flanş (Metrik)
PP Kaplı Çelik Flanş (ANSI)
Geçiş Parçaları ve Vanalar
PE-Çelik Geçiş Adaptörü
PE-PE Geçiş Adaptörü (Dış Dişli)
PE-PE Geçiş Adaptörü (İç Dişli)
PE-Pirinç Geçiş Adaptörü (Dış Dişli)
PE-Pirinç Geçiş Adaptörü (İç Dişli)
Küresel Vana
Fabrikasyon
Dirsek 90º
Dirsek 45º
Dirsek 60º
Dirsek 30º
Eşit Te
İnegal Te
Çatal Te 45º
Redüksiyon
Istavroz Te
Beton Geçiş Adaptörü
Yardımcı Ekipmanlar
Elektrofüzyon Kaynak Makinaları
Rotasyonel Boru Kazıyıcı
Vana Kol Kovan Takımı
Boru Kazıyıcı
Boru Boğucu
Servis Te Aletleri
Blog
Haberler & Fuarlar
Referanslar
Teknik
Sertifikalar
Dökümanlar
Kaynak Eğitim Videoları
Kullanım Kılavuzları
Kimyasal Dayanım
İletişim
TR
EN
Aramak için enter'a basın
PE-PE Geçiş Adaptörü (Dış Dişli)
Ana Sayfa
Ürünler
Geçiş Parçaları ve Vanalar
PE-PE Geçiş Adaptörü (Dış Dişli)
Kataloğu İndir
PE-PE Geçiş Adaptörü (Dış Dişli)
PE100
Enjeksiyon
Uzun tip
SDR11:
10 Bar Su
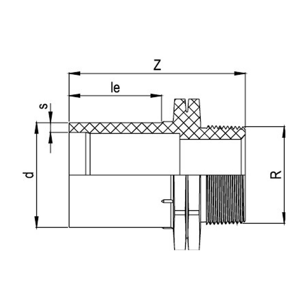
d
mm
R
inch
Ürün Kodu
le
mm
Z
mm
s
mm
Ağırlık
Kg
Kutu
Adet
d mm :
20
R inch :
1/2"
Ürün Kodu :
001 117 6210 0020
le mm :
34
Z mm :
65
s mm :
3,0
Ağırlık Kg :
0,019
Kutu Adet :
100
DataSheet
20 TRANSITION ADAPTOR PE-PE MALE DATASHEET
DXF
Transition Adaptor Pe Male_20-½ DXF
IGS
Transition Adaptor Pe Male_001 117 6210 0020
Parasolid
Transition Adaptor Pe Male_001 117 6210 0020
Sat
Transition Adaptor Pe Male_001 117 6210 0020
Step
Transition Adaptor Pe Male_001 117 6210 0020
d mm :
25
R inch :
3/4"
Ürün Kodu :
001 117 6210 0025
le mm :
34
Z mm :
65
s mm :
3,0
Ağırlık Kg :
0,030
Kutu Adet :
100
DataSheet
25 TRANSITION ADAPTOR PE-PE MALE DATASHEET
DXF
Transition Adaptor Pe Male_25-¾ DXF
IGS
Transition Adaptor Pe Male_001 117 6210 0025
Parasolid
Transition Adaptor Pe Male_001 117 6210 0025
Sat
Transition Adaptor Pe Male_001 117 6210 0025
Step
Transition Adaptor Pe Male_001 117 6210 0025
d mm :
32
R inch :
1"
Ürün Kodu :
001 117 6210 0032
le mm :
40
Z mm :
73
s mm :
3,0
Ağırlık Kg :
0,040
Kutu Adet :
90
DataSheet
32 TRANSITION ADAPTOR PE-PE MALE DATASHEET
DXF
Transition Adaptor Pe Male_32-1 DXF
IGS
Transition Adaptor Pe Male_001 117 6210 0032
Parasolid
Transition Adaptor Pe Male_001 117 6210 0032
Sat
Transition Adaptor Pe Male_001 117 6210 0032
Step
Transition Adaptor Pe Male_001 117 6210 0032
d mm :
40
R inch :
1"
Ürün Kodu :
001 117 6210 4001
le mm :
44
Z mm :
80
s mm :
3,7
Ağırlık Kg :
0,060
Kutu Adet :
40
DataSheet
40x1 TRANSITION ADAPTOR PE-PE MALE DATASHEET
DXF
Transition Adaptor Pe Male_40-1 DXF
IGS
Transition Adaptor Pe Male_001 117 6210 4001
Parasolid
Transition Adaptor Pe Male_001 117 6210 4001
Sat
Transition Adaptor Pe Male_001 117 6210 4001
Step
Transition Adaptor Pe Male_001 117 6210 4001
d mm :
40
R inch :
1 1/4"
Ürün Kodu :
001 117 6210 0040
le mm :
44
Z mm :
83
s mm :
3,7
Ağırlık Kg :
0,065
Kutu Adet :
40
DataSheet
40x1¼ TRANSITION ADAPTOR PE-PE MALE DATASHEET
DXF
Transition Adaptor Pe Male_40-1¼ DXF
IGS
Transition Adaptor Pe Male_001 117 6210 0040
Parasolid
Transition Adaptor Pe Male_001 117 6210 0040
Sat
Transition Adaptor Pe Male_001 117 6210 0040
Step
Transition Adaptor Pe Male_001 117 6210 0040
d mm :
50
R inch :
1 1/2"
Ürün Kodu :
001 117 6210 0050
le mm :
49
Z mm :
88
s mm :
4,6
Ağırlık Kg :
0,095
Kutu Adet :
25
DataSheet
50 TRANSITION ADAPTOR PE-PE MALE DATASHEET
DXF
Transition Adaptor Pe Male_50-1½ DXF
IGS
Transition Adaptor Pe Male_001 117 6210 0050
Parasolid
Transition Adaptor Pe Male_001 117 6210 0050
Sat
Transition Adaptor Pe Male_001 117 6210 0050
Step
Transition Adaptor Pe Male_001 117 6210 0050
d mm :
63
R inch :
1 1/2"
Ürün Kodu :
001 117 6210 6301
le mm :
63
Z mm :
102
s mm :
5,8
Ağırlık Kg :
0,160
Kutu Adet :
60
DataSheet
63x1½ TRANSITION ADAPTOR PE-PE MALE DATASHEET
DXF
Transition Adaptor Pe Male_63-1½ DXF
IGS
Transition Adaptor Pe Male_001 117 6210 6301
Parasolid
Transition Adaptor Pe Male_001 117 6210 6301
Sat
Transition Adaptor Pe Male_001 117 6210 6301
Step
Transition Adaptor Pe Male_001 117 6210 6301
d mm :
63
R inch :
2"
Ürün Kodu :
001 117 6210 0063
le mm :
62
Z mm :
106
s mm :
5,8
Ağırlık Kg :
0,175
Kutu Adet :
60
DataSheet
63x2 TRANSITION ADAPTOR PE-PE MALE DATASHEET
DXF
Transition Adaptor Pe Male_63-2 DXF
IGS
Transition Adaptor Pe Male_001 117 6210 0063
Parasolid
Transition Adaptor Pe Male_001 117 6210 0063
Sat
Transition Adaptor Pe Male_001 117 6210 0063
Step
Transition Adaptor Pe Male_001 117 6210 0063
Benzer Ürünler
PE-Çelik Geçiş Adaptörü
PE-Pirinç Geçiş Adaptörü (İç Dişli)
PE-PE Geçiş Adaptörü (İç Dişli)
Küresel Vana
PE-Pirinç Geçiş Adaptörü (Dış Dişli)
X
Kurumsal
Hakkımızda
Misyon, Vizyon ve Değerlerimiz
Politikalarımız
Etik Kurallarımız
Kilometre Taşları
Kurumsal Kimlik
Bilgi Toplumu Hizmetleri
Kişisel Verilerin Korunması
Site Haritası
Ürünler
Elektrofüzyon
Spigot
Flanşlar
Geçiş Parçaları ve Vanalar
Fabrikasyon
Yardımcı Ekipmanlar
}
Blog
Haberler & Fuarlar
Referanslar
Teknik
Sertifikalar
Dökümanlar
Kaynak Eğitim Videoları
Kullanım Kılavuzları
Kimyasal Dayanım
İletişim
TR
EN